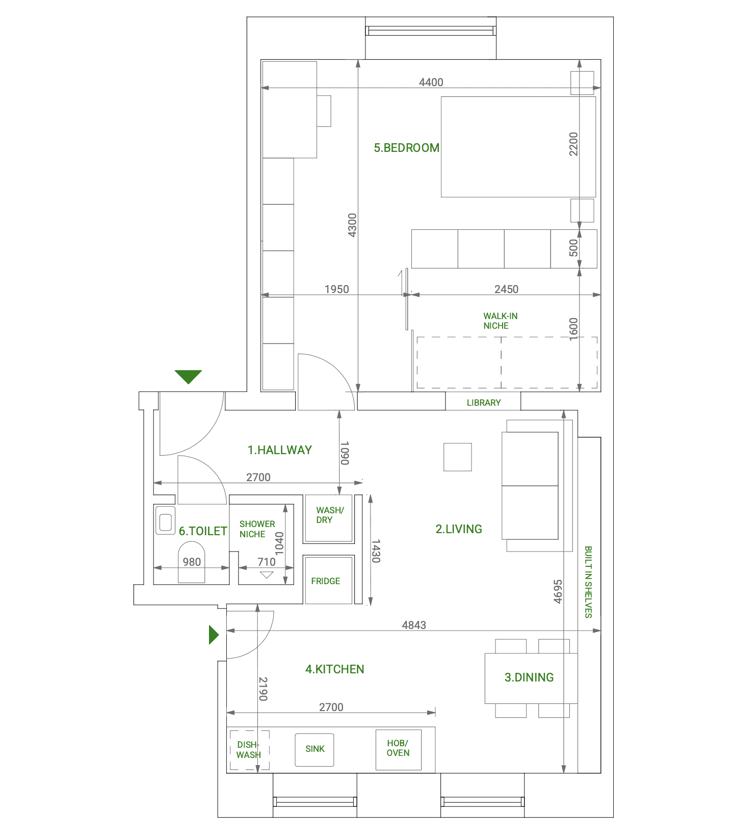
Mauritzen Gruppen har vundet opgaven som hovedentreprenør på totalrenoveringen af en 58 m² lejlighed på 4. sal på Sønder Boulevard, Vesterbro. Projektet gennemføres i tæt samarbejde med bygherre og med udgangspunkt i skitse og beskrivelse fra lejlighedens arkitekt.
Renoveringen omfatter etablering af nyt badeværelse og toilet med fliser, VVS-arbejde og installationer samt installation af et helt nyt køkken inklusiv hvidevarer. Hele lejligheden får
nye malede vægge, hvilket samtidig fjerner lugt fra gammel røg, og gulvene afslibes og poleres, så de fremstår som nye.
Som hovedentreprenør sikrer Mauritzen Gruppen ét samlet overblik og koordinering af alle faggrupper gennem hele byggeprocessen. Arbejdet udføres med fokus på kvalitet, funktionalitet og æstetik, så lejligheden får nyt liv og fremstår moderne og gennemført. Projektet gennemføres med en struktureret tidsplan og med respekt for både bygherres ønsker og gældende standarder for installationer og materialer.